有機ELディスプレイ評価ボード
OVERVIEW
当時注目が高まった有機EL(OLED)ディスプレイを制御して画像や文字などを表示させてみたいと思い、作成したものです。特に受注した案件とは関係なく、個人的な興味で取り組んだものですが、細かいグラフィック表示が可能な表示器の制御については経験が無かったので、良い勉強になりました。
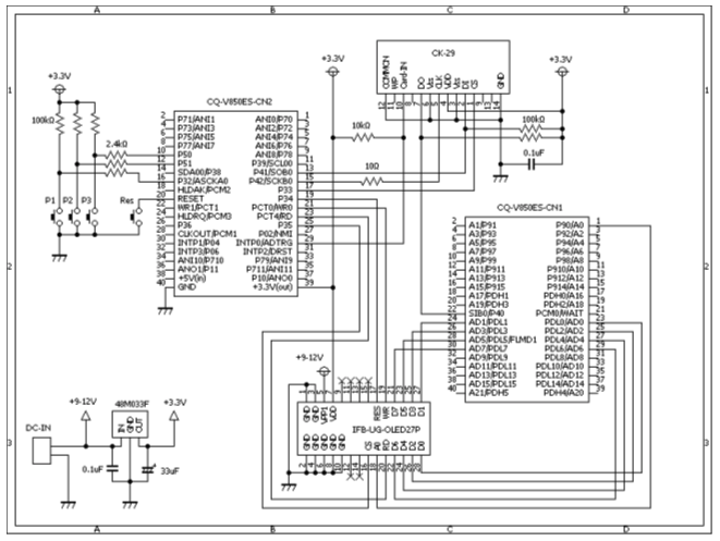
使用した有機ELディスプレイについて
OLEDドライバIC(SH1101A)を使用したグラフィック表示制御。 8bitデータバス、及びGPIOにより、ドライバICを制御する方法を学んだ。 その他、Windowsで作成した画像ファイルを表示データとしてそのまま使うことを考慮するため、BITMAPファイルのフォーマットについても調査することになった。
ボードの外観

回路図

